詳細說明:
WR□工業熱電偶又稱裝配熱電偶,與顯示儀表配套,可在-200~1600℃溫度範圍內進行溫度測量,廣泛應用於航天航空、原子能、石油、化工、冶金、機械等部門和科學技術領域。
裝配熱電偶通常由感溫元件、外保護管、接線盒及安裝固定裝置組成。
1.1工作原理
由兩種不同化學成份均質導體(電極)組成閉合回路,當兩端存在溫差時(T≠T0),兩端之間就產生電動勢,回路中就會有電流通過,該現象稱之為溫差電現象,該電動勢稱之為熱電動勢,如果接上電位差計,電位差計上會顯示熱電動勢值。導體兩端溫差的大小,所產生的熱電動勢的大小也不同,反之根據不同的熱電動值就會知道導體兩端的溫度差大小。
1.2主要特點:測溫範圍寬、使用壽命長、安裝使用方便
1.3主要技術參數
裝配熱電偶的品種、允差等級
裝配熱電偶絕緣電阻

裝配熱電偶保護管材質、熱響應時間及長度列表1-3

不同材質保護管適用溫度範圍

1.4典型的接線盒形式

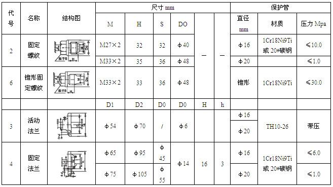
1.5典型的安裝固定形式

1.6典型的裝配熱電偶形式

訂貨注意事項
產品名稱 產品型號
實際測溫範圍
可單獨提供感溫元件:型號:WR口一010,總長:L+20mm
特殊產品協議供貨
舉例:一支鎳鉻一鎳矽雙支熱電偶,帶固定螺紋、防水接線盒,外徑為Φ20,,1Cr18Ni9Ti保護管,精度為II級、插入深度為650mm,標注為:WRNz-231 II /750 x 600
1.7 耐溫、耐磨,抗腐蝕等特殊環境下使用的熱電偶
本熱電偶主要是利用耐高溫、高硬度且杭衝刷和抗強腐蝕的金屬管或非金屬管作為熱電偶外保護管,適用於生產過程中具有強度蝕或激烈衝刷環境下的高溫測量,廣泛月於冶煉玻璃、化學化工、陶瓷燒結、水泥生產、軍工和科學試驗等領域。

任何一種金屬材料或非金屬材料要做到既抗腐蝕又耐磨還要測高溫幾乎很難做到.一般隻能根據使用的主要環境進行擇優選用。根據本廠多年的研究和現場提供的應用實例。現提供幾種主要的不同材料的熱電偶保護管。供用戶選用時參考。



